NT18陶瓷压阻芯体
一、产品描述
NT050陶瓷压力传感器是采用陶瓷基座经特殊工艺精制而成的陶瓷压阻压力传感器。陶瓷是一种公认的高弹性、抗腐蚀、抗磨损、抗冲击和振动的材料。陶瓷的热稳定特性和厚膜的高温烧结工艺使陶瓷压力传感器工作温度范围高达-40~125℃。而且具有高精度,高稳定性。电气绝缘程度2KV以上,它的尺寸直径18mm,量程范围2-400bar。陶瓷压力传感器的应用广泛,在过程控制、环境控制、液压和气动设备、伺服阀门、传动、和医用仪表等领域,它的耐腐蚀性,使它在制冷、化工和环保等领域具有极大的优势。
二、特点
●高弹性的陶瓷敏感膜片●零点、满量程激光标定
●卓越的抗腐蚀、抗磨损性能●抗冲击、抗震动
●高灵敏度、高精度、高稳定性●宽的工作温度范围
●体积小巧,易封装● 极具竞争力
三、工作原理
抗腐蚀的陶瓷压力传感器没有液体的传递,压力直接作用在陶瓷膜片的前表面,使膜片产生微小的形变,厚膜电阻印刷在陶瓷膜片的背面,连接成一个惠斯通电桥(闭桥),由于压敏电阻的压阻效应,使电桥产生一个与压力成正比的高度线性、与激励电压也成正比的电压信号,标准的信号根据压力量程的不同标定为 2.0/3.0 mV/V,可以和应变式传感器相兼容。通过激光标定,传感器具有很高的温度稳定性和时间稳定性,传感器自带温度补偿,并可以和绝大多数介质直接接触。
由于陶瓷压力传感器可以和绝大多数介质接触,没有液体的直接传递作用,不会产生污染,在欧美国家替代其它类型传感器的趋势越来越明显,在中国也越来越多的用户使用陶瓷传感器替代应变式和扩散硅压力传感器。
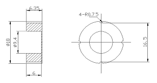
四、外形尺寸

五、接线图:

1.电源正(Vcc)
2.传感器输出负 (Vout-)
3.电源负(GND)
4.传感器输出正 (Vout+)
● 焊盘中心距离(2.54mm)
六、技术参数:
1.外形尺寸: Φ18.0×6.35 mm
2.量程范围: 2bar、5bar、10bar、20bar、50bar、100bar、200bar、400bar
3.工作电压: 5-30V
4.桥臂电阻: 11KΩ+/-20%
5.零点输出: 0±0.2 mv/V
6.输出灵敏度:2-3mv/V
7.综合误差: 0.2-0.4 FS%(线性、迟滞、重复性)
8.响应时间: <1mS
9.使用温度: -40~125℃
10. 温度特性: ±0.02%FS/℃(温度补偿0-70℃)
11. 安全过载: 2倍额定量程
12. 稳定性: <0.2 %FS / 年
七、常用单位换算关系:
10bar=1MPa=106Pa=100mH2O≈145psi≈10.2kgf/cm²
八、使用注意事项:
1、安装芯体时,在芯体的引线面要加装尼龙垫圈,使芯体受力均匀,避免零点不稳定。
2、焊接引线前,请预热芯体,增加焊点的可焊性,避免焊点长时间受热降低焊盘附着力。焊接时请采用不大于60W的尖头烙铁焊接即可。
3、黑膜部分不要碰划,划伤黑膜会破坏内部电路,损坏传感器。
NT050陶瓷压力传感器是采用陶瓷基座经特殊工艺精制而成的陶瓷压阻压力传感器。陶瓷是一种公认的高弹性、抗腐蚀、抗磨损、抗冲击和振动的材料。陶瓷的热稳定特性和厚膜的高温烧结工艺使陶瓷压力传感器工作温度范围高达-40~125℃。而且具有高精度,高稳定性。电气绝缘程度2KV以上,它的尺寸直径18mm,量程范围2-400bar。陶瓷压力传感器的应用广泛,在过程控制、环境控制、液压和气动设备、伺服阀门、传动、和医用仪表等领域,它的耐腐蚀性,使它在制冷、化工和环保等领域具有极大的优势。
二、特点
●高弹性的陶瓷敏感膜片●零点、满量程激光标定
●卓越的抗腐蚀、抗磨损性能●抗冲击、抗震动
●高灵敏度、高精度、高稳定性●宽的工作温度范围
●体积小巧,易封装● 极具竞争力
三、工作原理
抗腐蚀的陶瓷压力传感器没有液体的传递,压力直接作用在陶瓷膜片的前表面,使膜片产生微小的形变,厚膜电阻印刷在陶瓷膜片的背面,连接成一个惠斯通电桥(闭桥),由于压敏电阻的压阻效应,使电桥产生一个与压力成正比的高度线性、与激励电压也成正比的电压信号,标准的信号根据压力量程的不同标定为 2.0/3.0 mV/V,可以和应变式传感器相兼容。通过激光标定,传感器具有很高的温度稳定性和时间稳定性,传感器自带温度补偿,并可以和绝大多数介质直接接触。
由于陶瓷压力传感器可以和绝大多数介质接触,没有液体的直接传递作用,不会产生污染,在欧美国家替代其它类型传感器的趋势越来越明显,在中国也越来越多的用户使用陶瓷传感器替代应变式和扩散硅压力传感器。
四、外形尺寸

五、接线图:

1.电源正(Vcc)
2.传感器输出负 (Vout-)
3.电源负(GND)
4.传感器输出正 (Vout+)
● 焊盘中心距离(2.54mm)
六、技术参数:
1.外形尺寸: Φ18.0×6.35 mm
2.量程范围: 2bar、5bar、10bar、20bar、50bar、100bar、200bar、400bar
3.工作电压: 5-30V
4.桥臂电阻: 11KΩ+/-20%
5.零点输出: 0±0.2 mv/V
6.输出灵敏度:2-3mv/V
7.综合误差: 0.2-0.4 FS%(线性、迟滞、重复性)
8.响应时间: <1mS
9.使用温度: -40~125℃
10. 温度特性: ±0.02%FS/℃(温度补偿0-70℃)
11. 安全过载: 2倍额定量程
12. 稳定性: <0.2 %FS / 年
七、常用单位换算关系:
10bar=1MPa=106Pa=100mH2O≈145psi≈10.2kgf/cm²
八、使用注意事项:
1、安装芯体时,在芯体的引线面要加装尼龙垫圈,使芯体受力均匀,避免零点不稳定。
2、焊接引线前,请预热芯体,增加焊点的可焊性,避免焊点长时间受热降低焊盘附着力。焊接时请采用不大于60W的尖头烙铁焊接即可。
3、黑膜部分不要碰划,划伤黑膜会破坏内部电路,损坏传感器。
Copyright © 广州九思科技有限公司 工信部备案:粤ICP备17116274号
热线:18148980326 广州科学城南翔一路68号第二栋209 URL:www.jiusikj.com
本站部分图文来源网络,如有侵权问题请通知我们处理!
网站建设维护



